Ranger
RCI-2950
Documentation Project
CBTricks.com
EPT295031Z
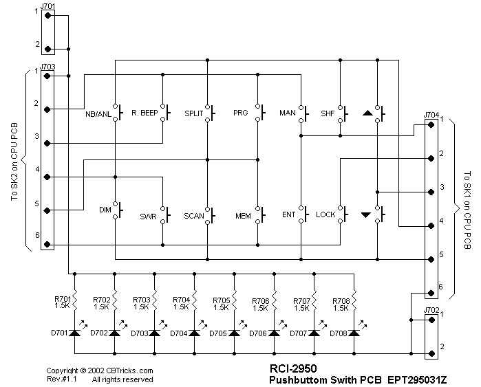
Push Switch PCBEPT295031Z
Trace Layout
Schematic Diagram


Resistors
|
Ref# |
Description |
MFR. Part No. |
|
1.5K 1/16W(P) TYPE |
RCP161524Z |
Misc.
|
Ref# |
Description |
MFR. Part No. |
|
TACT SW |
EWPS33042X |
|
|
IC PIN |
EX07N48414 |
|
|
LED YELLOW |
EX01N40081 |
|
|
PCB CONN. SOCK. 6P L= 21.8mm |
EX07N48441 |
Disclaimer: Although the greatest care has been taken while compiling these documents,
we cannot guarantee that the instructions will work on every radio presented.